Worldwide Chuck Services, Inc.

 

Chuck Repairs and ServiceWe Sell Lathe Chucks ActuatorsChuck Parts and AccessoriesJaws and Accessories

 
Worldwide Chuck Services is a master distributor of Kitagawa products.

Kitagawa Products Menu

Scroll Chuck
Four-Jaw Independent Chuck
Standard Thru-Hole Chuck
Big Bore High Speed Chuck
Super Big-Bore Power Chuck
Long Stroke Lever Style Chuck
Quick Jaw Change Chuck
Quick Jaw Change Chuck
Counter Balanced Chuck
Closed Center Chuck
Long Stroke Two-Jaw Chuck
Power Wing Chuck
Pull Back Chuck
Three-Jaw Pull Style Chuck
Four-Jaw Self-Centeriing Power Chuck
T-Nut

Two Stage Hydraulic Cylinder

High Speed Wheel Chuck
Self-Contained Air Chuck
Ultra High Precision
Collet
Standard Thru-Hole Cylinder
Big Bore High Speed Cylinder
Hydraulic Cylinder
Closed Center Cylinder
Stationary Air Cylinder
High Speed Air Cylinder
Work Gripper
Soft Jaw
Chuck Adapter
Hard Jaw

YR & YRE SERIES Hydraulic Cylinders

Closed center hydraulic cylinders feature high speed and long stroke options for use with all closed center chucks with speeds up to 6000 RPM.

Special Features

  • Safety Check Valves to Ensure Safety in the Event of Hydraulic Failure
    • Safety Pressure Relief Valve to Prevent Damage to
    • Cylinders in the Event of Over Pressure
  • High Speed, Compact and Lightweight
  • Maintenance Free Design

SPECIFICATIONS

MODEL UNIT Y1020R(E) Y1225R(E) Y1530R(E) Y2035R(E) Y1240RE Y1550RE Y2050RE
Piston Stroke in. 0.787 0.984 1.181 1.378 1.575 1.969 1.969
Piston Area-Pull Side in.2 12.3 17.5 24.8 45.0 17.5 24.8 45.0
Piston Area-Push Side in.2 13.3 (13.0) 18.9 (18.6) 27.3 (27.0) 48.7 (48.4) 18.6 27.0 48.4
Max. Draw Bar Pull Force lbs. 6505 9423 13460 24229 9423 13460 24229
Max. Operation Pressure psi 570 570 570 570 570 570 570
Oil Leakage Rate* gal./min. 0.2 0.2 0.2 0.2 0.2 0.2 0.2
Max. Speed rpm 6000 6000 5500 5500 6000 5500 5500
Net Weight lbs. 16 (17) 22 (23) 30 (31) 49 (50) 24 33 52
GD2 lbs.* ft.2 1.2 2.1 4.5 9.2 2.4 4.7 9.9

(E) Designated stroke detection option using detector plates and proximity switches. *Oil leakage rate is based on operating pressure of 435 psi at oil temperature of 122° F.

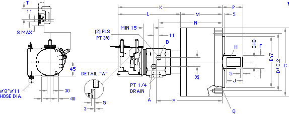
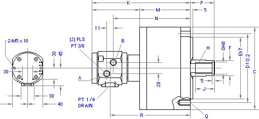
DIMENSIONS (Dimensions in Inches)

YR Dimensional Drawing

yrdim.gif

YRE Dimensional Drawing

yredim.gif

MODEL Y1020R(E) Y1225R(E) Y1530R(E) Y2035R(E) Y1240RE Y1550RE Y2050RE
A (Piston Diameter) 4.134 4.921 5.906 7.874 4.921 5.906 7.874
B (Stroke) 0.787 0.984 1.181 1.378 1.575 1.969 1.969
C 5.315 6.299 7.480 9.646 6.299 7.480 9.646
D 3.937 5.118 5.118 5.709 5.118 5.118 5.709
E 3.150 4.331 4.331 4.724 4.331 4.331 4.724
F 1.181 1.378 1.772 2.165 1.378 1.772 2.165
G 0.827 0.984 1.220 1.457 0.984 1.220 1.457
H M20 M24 M30 M36 M24 M30 M36
J 1.378 1.732 1.772 2.362 1.850 2.165 2.953
K 7.756 (9.921) 8.071(10.236) 8.425 (10.591) 8.976 (11.339) 12.047 12.598 12.953
L 4.252 (6.417) 4.252 (6.417) 4.252 (6.417) 4.173 (6.535) 7.638 7.638 7.559
M 3.504 3.819 4.173 4.803 4.409 4.961 5.394
N 5.984 6.299 6.654 7.205 6.890 7.441 7.795
P max. 1.772 2.008 2.205 2.717 2.559 3.150 3.150
P min. 0.984 1.024 1.024 1.339 0.984 1.181 1.181
Q 6-M10x20 6-M12x24 12-M12x24 12-M16x30 6-M12x24 12-M12x24 12-M16x30
R 6.220 6.535 6.890 7.441 7.126 7.677 8.031
S (0.906) (0.906) (0.906) (1.102) 0.787 0.787 0.787
T (1.614) (1.614) (1.614) (1.811) 2.047 2.047 2.047

 

 

 



About Us

Contact Us

Site Map

Location

 

Worldwide Chuck Services, Inc.

1430 Danner Drive
 Aurora,  OH  44202
Phone: (330) 562-4509
Fax: (330) 562-2022

 questions@WorldwideChuck.com

 

Improving the World's Grip on Parts

Search our site for:

     

 
Don't forget about our warranty ... the best in the business!