Worldwide Chuck Services, Inc.

 

Chuck Repairs and ServiceWe Sell Lathe Chucks ActuatorsChuck Parts and AccessoriesJaws and Accessories

 
Worldwide Chuck Services is a master distributor of Kitagawa products.

Kitagawa Products Menu

Scroll Chuck
Four-Jaw Independent Chuck
Standard Thru-Hole Chuck
Big Bore High Speed Chuck
Super Big-Bore Power Chuck
Long Stroke Lever Style Chuck
Quick Jaw Change Chuck
Quick Jaw Change Chuck
Counter Balanced Chuck
Closed Center Chuck
Long Stroke Two-Jaw Chuck
Power Wing Chuck
Pull Back Chuck
Three-Jaw Pull Style Chuck
Four-Jaw Self-Centeriing Power Chuck
T-Nut

Two Stage Hydraulic Cylinder

High Speed Wheel Chuck
Self-Contained Air Chuck
Ultra High Precision
Collet
Standard Thru-Hole Cylinder
Big Bore High Speed Cylinder
Hydraulic Cylinder
Closed Center Cylinder
Stationary Air Cylinder
High Speed Air Cylinder
Work Gripper
Soft Jaw
Chuck Adapter
Hard Jaw
 

QB300 SERIES Quick Jaw-Change Chucks

Three-jaw wedge style power chucks slash downtime and maximize productivity through unique quick change locking mechanism. Jaws can be changed in as little as 30 seconds while delivering consistent 0.0008" accuracy! QB300 Series Quick Jaw-Change Chucks do not require long stroke cylinders and are fully interchangeable with most power chucks.

Special Features

  • Large Thru-Hole
  • 30 Second Jaw-Change
  • High Accuracy and High Endurance
  • Compact and Lightweight
  • Direct Replacement for Most Power Chucks
  • Long Stroke Cylinder NOT Required
  • High Speed
  • Expensive Base Jaws NOT Required

Model QB300 Series Chucks are manufactured from high grade alloy steel. All sliding surfaces are hardened and ground to assure consistent accuracy and performance.

Lubrication nipple in each base jaw.

Mounting: Direct mounting to fit ASA B5.9 type A (interchangeable with DIN 55026).

Standard Equipment: Chuck assembled with adapter, chuck mounting bolts, soft top jaws, wrench, draw nut wrench.


SPECIFICATIONS

MODEL UNIT QB306 QB308 QB310 QB312 QB315
Jaw Stroke (Diameter) in. 0.217 0.291 0.346 0.417 0.417
Plunger Stroke in. 0.472 0.630 0.748 0.906 0.906
Max. Draw Bar Pull Force kN (kgf) 22 (2243) 34 (3467) 43 (4385) 55 (5608) 71 (7240)
Max. Gripping Force kN (kgf) 57 (5812) 84 (8565) 111 (11319) 144 (14684) 180 (18355)
Gripping Force at Max. Speed lbs. 4267 6289 8311 11013 13460
Max. Speed rpm 5500 4500 4000 3000 2300
Net Weight lbs. 28 51 77 123 264
GD 2 kg.m 2 .058 .173 .318 .745 2.273
Matching Cylinder S1246 S1552 S1875 S2091 F2511H
Min. Gripping O.D. in. 0.394 0.591 0.866 0.866 2.165
Max. Gripping O.D. in. 5.512 7.087 8.268 9.843 13.000
Jaw Change Time (3 Jaws) sec. 30 30 30 30 30


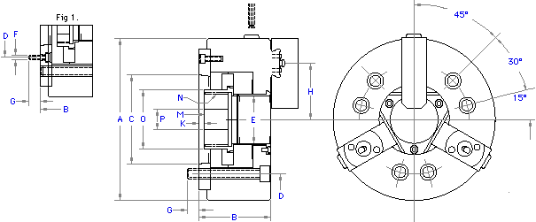
QUICK JAW-CHANGE CHUCK DIMENSIONS (Dimensions in Inches)

MODEL QB306A500 QB308A600 QB310A600 QB310A800 QB312A600 QB312A800
A 6.654 8.268 10.000 10.000 11.969 11.969
B 3.583 4.055 4.724 4.449 5.079 4.803
C 3.250 4.188 4.188 5.501 4.188 5.501
D 4.125 5.250 5.250 6.750 5.250 6.750
E 1.772 2.047 2.953 2.953 3.583 3.583
F 6xM10 6xM12 6xM12 6xM16 6xM12 6xM16
G 0.630 0.709 0.728 0.945 0.728 0.984
H max. 2.303 2.835 3.465 3.465 4.185 4.185
H min. 2.195 2.689 3.291 3.291 3.976 3.976
K max. 1.024 1.240 1.319 1.043 1.299 1.024
K min. 0.551 0.610 0.571 0.295 0.394 0.118
M 0.591 0.650 0.787 0.787 0.906 0.906
N max. M55x2.0 M60x2.0 M85x2.0 M85x2.0 M100x2.0 M100x2.0
O 2.362 2.598 3.701 3.701 4.252 4.252
P 0.787 1.181 1.772 1.772 1.969 1.969

QB310A06 and QB312A06 are referred to in Fig. 1.

Draw nut is supplied without thread.

SOFT TOP JAW DIMENSIONS (Dimensions in Inches)

MODEL 6" 6" 8" 8" 10" 10" 12" 12"
SB06BB SB06BB-040 SB08BB SB08BB-056 SB10BB SB10BB-060 SB12BB SB12BB-070
A 3.543 3.543 4.173 4.173 4.921 4.921 5.472 5.472
B 2.126 2.126 2.520 2.520 2.992 2.992 3.543 3.543
C 1.417 1.417 1.654 1.654 1.929 1.929 1.929 1.929
D 1.260 1.260 1.457 1.457 1.654 1.654 1.969 1.969
E 1.181 1.575 1.496 2.205 1.654 2.362 1.969 2.756
F 0.945 0.945 1.102 1.102 1.220 1.220 1.339 1.339
G 2.677 2.677 2.992 2.992 3.465 3.465 3.622 3.622
Min. Gripping OD 0.394 0.394 0.591 0.591 0.866 0.866 1.181 1.181



QB300 SERIES Quick Jaw-Change Chucks

Gripping Characteristic Graph

 

 

 



About Us

Contact Us

Site Map

Location

 

Worldwide Chuck Services, Inc.

1430 Danner Drive
 Aurora,  OH  44202
Phone: (330) 562-4509
Fax: (330) 562-2022

 questions@WorldwideChuck.com

 

Improving the World's Grip on Parts

Search our site for:

     

 
Don't forget about our warranty ... the best in the business!