Worldwide Chuck Services, Inc.

 

Chuck Repairs and ServiceWe Sell Lathe Chucks ActuatorsChuck Parts and AccessoriesJaws and Accessories

 
Worldwide Chuck Services is a master distributor of Kitagawa products.

Kitagawa Products Menu

Scroll Chuck
Four-Jaw Independent Chuck
Standard Thru-Hole Chuck
Big Bore High Speed Chuck
Super Big-Bore Power Chuck
Long Stroke Lever Style Chuck
Quick Jaw Change Chuck
Quick Jaw Change Chuck
Counter Balanced Chuck
Closed Center Chuck
Long Stroke Two-Jaw Chuck
Power Wing Chuck
Pull Back Chuck
Three-Jaw Pull Style Chuck
Four-Jaw Self-Centeriing Power Chuck
T-Nut

Two Stage Hydraulic Cylinder

High Speed Wheel Chuck
Self-Contained Air Chuck
Ultra High Precision
Collet
Standard Thru-Hole Cylinder
Big Bore High Speed Cylinder
Hydraulic Cylinder
Closed Center Cylinder
Stationary Air Cylinder
High Speed Air Cylinder
Work Gripper
Soft Jaw
Chuck Adapter
Hard Jaw

 AS & AT SERIES Work Grippers

Low profile, lightweight design using a self-contained air cylinder only requires piping for air. Quick installation for drilling machines or machining centers. High gripping force and concentricity from wedge actuated jaws. Thru-hole available for part component entry or for design of rear air blast for chip (or swarf) removal. New extended working range. Optional Lock Valve Unit allows the chuck to be used as clamping unit without need for continuous air feed supply.

  • Functionally Flexible
  • High Gripping Force
  • Low Profile, Lightweight Design
  • Thru-Hole
  • Quick and Easy Installation
  • Uses Standard Soft or Hard Jaws

LV-2 Air Lock Valve Option

Maintains Pressure if Loss of supply occurs.



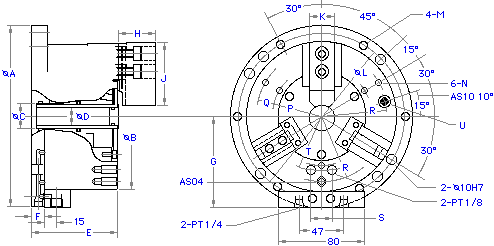
SPECIFICATIONS

MODEL UNIT AS04 AS06 AS08 AS10 AT04 AT06 AT08 AT10
Jaw Stroke (Diameter) in. 0.205 0.205 0.248 0.248 0.205 0.205 0.248 0.248
Gripping Force @ air pressure 6 kg/cm 2 kN (kgf) 7.5 (765) 21 (2140) 33 (3365) 48 (4895) 7.5 (765) 21 (2140) 33 (3365) 48 (4895)
Weight with Soft Blank Top Jaws lbs. 16 35 61 94 15 33 59 90
Max. Operation Pressure psi 100 100 100 100 85 85 85 85
Matching Soft Top Jaw SB04B1 SB06B1 SB08B1 SB10A1 SB04B1 SB06B1 SB08B1 SB10A1
Gripping Diameter max. in. 4.331 6.496 8.268 10.000 4.331 6.496 8.268 10.00
min. in. 0.394 0.906 1.181 1.969 0.394 0.906 1.181 1.969
Dia. A in. 5.827 7.992 9.764 11.811 5.827 7.992 9.764 11.811
Dia. B in. 4.331 6.496 8.268 10.000 4.331 6.496 8.268 10.000
Dia. C (H7) in. 0.787 0.984 1.417 1.969 0.984 1.417 1.969
Dia. D in. 0.787 1.181 1.693 0.787 1.181 1.693
E in. 3.543 3.740 4.173 4.331 3.543 3.740 4.173 4.331
F in. 0.591 0.591 0.591 0.630 0.591 0.591 0.591 0.630
G* in. 2.972 4.055 4.941 5.807 2.972 4.055 4.941 5.807
in. (4.350) (5.433) (6.319) (7.185) (4.350) (5.433) (6.319) (7.185)
H in. 1.063 1.417 1.654 1.811 1.063 1.417 1.654 1.811
J in. 2.165 2.835 3.740 4.331 2.165 2.835 3.740 4.331
K in. 0.906 1.220 1.378 1.575 0.906 1.220 1.378 1.575
Dia. L in. 5.118 7.283 9.055 11.024 5.118 7.283 9.055 11.024
Dia. M in. 0.354 0.433 0.433 0.512 0.354 0.433 0.433 0.512
N in. M8 M8 M10 M8 M8 M10
P in. 2.165 2.677 3.346 2.165 2.677 3.346
Q in. 0.709 0.984 1.181 0.709 0.984 1.181
R in. 1.693 2.756 3.543 4.331 1.693 2.756 3.543 4.331
S in. 1.299 1.299 1.299 1.299 1.299 1.299 1.299 1.299
T in. 1.339 2.362 3.150 3.740 1.339 2.362 3.150 3.740
U in. 0.591 0.591 0.591 0.591 0.591 0.591 0.591 0.591

*Dimension within ( ) includes air lock valve (optional).


AS DIMENSIONAL DRAWINGS

AT DIMENSIONAL DRAWINGS

 

 



About Us

Contact Us

Site Map

Location

 

Worldwide Chuck Services, Inc.

1430 Danner Drive
 Aurora,  OH  44202
Phone: (330) 562-4509
Fax: (330) 562-2022

 questions@WorldwideChuck.com

 

Improving the World's Grip on Parts

Search our site for:

     

 
Don't forget about our warranty ... the best in the business!