Worldwide Chuck Services, Inc.

 

Chuck Repairs and ServiceWe Sell Lathe Chucks ActuatorsChuck Parts and AccessoriesJaws and Accessories

 
Worldwide Chuck Services is a master distributor of Kitagawa products.

Kitagawa Products Menu

Scroll Chuck
Four-Jaw Independent Chuck
Standard Thru-Hole Chuck
Big Bore High Speed Chuck
Super Big-Bore Power Chuck
Long Stroke Lever Style Chuck
Quick Jaw Change Chuck
Quick Jaw Change Chuck
Counter Balanced Chuck
Closed Center Chuck
Long Stroke Two-Jaw Chuck
Power Wing Chuck
Pull Back Chuck
Three-Jaw Pull Style Chuck
Four-Jaw Self-Centeriing Power Chuck
T-Nut

Two Stage Hydraulic Cylinder

High Speed Wheel Chuck
Self-Contained Air Chuck
Ultra High Precision
Collet
Standard Thru-Hole Cylinder
Big Bore High Speed Cylinder
Hydraulic Cylinder
Closed Center Cylinder
Stationary Air Cylinder
High Speed Air Cylinder
Work Gripper
Soft Jaw
Chuck Adapter
Hard Jaw

 PU200 & PUE SERIES High Precision Pull Back Chucks

Three-jaw pull lock style power chucks are ideal for finish machining applications. The radial and pull-back features allow high gripping forces, component length control as well as high repeatability of 0.0004". OD and ID grip versions are standard.

Special Features

  • High Accuracy for Finish Machining
  • Length Control for Efficient Operation
  • Pull Back Feature Is Ideal for Second Operations requiring Highest Precision.
  • OD and ID Grip Versions
  • Maintains More Gripping Forces at High RPMs Compared to Conventional Chucks
  • Optional Component Seating Confirmation
  • Optional Air and/or Coolant Blast

Model PU200 and PUE Series Chucks are manufactured from high grade alloy steel. All sliding surfaces are hardened and ground to assure consistent accuracy and performance.

Lubrication nipple in chuck body.  Body is sealed to ensure long life and extended lubrication frequency.

Mounting: Direct mounting to fit ASA B5.9 type A (interchangeable with DIN 55026).

Standard Equipment: Chuck assembled with adapter, chuck mounting bolts, soft top jaws and jaw mounting bolts with wrench, draw nut wrench.


SPECIFICATIONS

MODEL UNIT PU-204 PU-205 PU-206 PU-208 PU-210 PUE-05 PUE-06
Plunger Stroke in. 0.236 0.157 0.394 0.394 0.394 0.236 0.394
Jaw Stroke (Diameter) in. 0.118 0.078 0.197 0.197 0.197 0.110 0.189
Max. Draw Bar Pull Force kN (kgf) 14 (1428) 18 (1835) 25 (2549) 35 (3569) 13 (1325) 18 (1835)
Max.Gripping Force kN (kgf) 40 (4079) 58 (5914) 80 (8158) 100 (10197) 42 (4280) 58 (5914)
Max. Speed rpm 10,000 8000 7000 6000 4500 7000 6000
Net Weight(1) lbs 8.4 14.5 31 53 93 17 31
GD 2 N.m 2 (kgf.m 2 ) .17 (.02) .48 (.05) 1.30 (.13) 3.33 (.34) .17 (.02) .42 (.04)
Matching Cylinder YG296 YG295 Y1020R Y1225R Y1225R Y1020R(4) Y1020R
Matching Soft Jaw SB-PU204 SB-PU205 SB-PU206 SB-PU208 SB-PU210 SB-PUE05 SB-PUE06
Gripping Range OD øin. 0.394-2.362 0.590-3.307 0.984-3.937 0.984-5.118 1.378-6.299
ID(1) øin. 1.969-2.560 2.756-3.504
ID(2) øin. 2.560-3.150 3.504-4.134
ID(3) øin. 1.142-1.969 1.732-2.756

(1)Standard Soft Jaw.
(2)Optional Soft Jaw.
(3)Master Jaw.
(4)High Speed Cylinder required for speeds over 6000rpm.

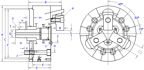
PU200 SERIES DIMENSIONS (Dimensions in Inches)

MODEL PU-204 PU-205 PU-206 PU-208 PU-210
A 4.331 5.315 6.496 8.268 10.000
B 2.854 3.405 4.528 5.315 5.906
C 3.937 5.315 6.102 7.087 9.055
D 2.165 2.520 2.835 3.346 3.740
E 1.693 2.000 2.559 2.756 3.228
F 3.346 4.330 5.512 6.693 8.661
H 2.362 3.250 4.126 5.252 6.748
J 3-M10 3-M10 6-M10 6-M12 6-M16
K 0.472 0.590 0.551 0.591 0.906
L max. 0.423 0.630 0.640 0.640 0.837
L min. 0.364 0.590 0.541 0.541 0.738
M max. 0.748 0.866 0.433 0.433 0.472
M min. 0.512 0.709 0.039 0.039 0.079
N 0.669 0.669 1.063 1.220 1.378
O 0.787 0.944 1.181 1.378 1.575
P 3-M6 3-M8 3-M10 3-M12 3-M14
Q 0.709 0.905 1.024 1.260 1.378
T 0.472 0.472 0.472 0.591 0.591
U M20x1.5 M25x1.5 M28x1.5 M35x1.5 M38x1.5
V 0.945 1.181 1.220 1.181 1.181
W 1.417 1.654 1.929 2.008 2.008
Y 3-M4 3-M5 3-M5 3-M6 3-M8
Z 1.654 2.047 2.126 2.559 3.150

PUE SERIES DIMENSIONS (Dimensions in Inches)

MODEL PUE-05 PUE-06 MODEL PUE-05 PUE-06
A 5.315 6.496 N 3-M6 3-M6
B 2.835 3.268 P 0.945 1.575
C (H6) 4.331 5.512 Q 0.984 1.575
D 3.858 4.528 R 0.669 0.591 h8
E 0.197 0.197 S 1.024 1.575
F 3.250 4.126 T 0.276 0.591
G 3-M10 6-M10 U M16x2 M18x2.5
H 0.591 0.591 V 0.197
J max. 1.354 1.846 W 1.220 1.457
J min. 1.299 1.752 X 0.787 1.299
K max. 0.709 3.091 Y 1.181 1.181
K min. 0.472 2.697 Z 2.165 2.559
L 0.787 0.906 a M6x11 M6x11
M 0.945 1.220


Gripping Characteristic Graph

 

 



About Us

Contact Us

Site Map

Location

 

Worldwide Chuck Services, Inc.

1430 Danner Drive
 Aurora,  OH  44202
Phone: (330) 562-4509
Fax: (330) 562-2022

 questions@WorldwideChuck.com

 

Improving the World's Grip on Parts

Search our site for:

     

 
Don't forget about our warranty ... the best in the business!