Worldwide Chuck Services, Inc.

 

Chuck Repairs and ServiceWe Sell Lathe Chucks ActuatorsChuck Parts and AccessoriesJaws and Accessories

 
Worldwide Chuck Services is a master distributor of Kitagawa products.

Kitagawa Products Menu

Scroll Chuck
Four-Jaw Independent Chuck
Standard Thru-Hole Chuck
Big Bore High Speed Chuck
Super Big-Bore Power Chuck
Long Stroke Lever Style Chuck
Quick Jaw Change Chuck
Quick Jaw Change Chuck
Counter Balanced Chuck
Closed Center Chuck
Long Stroke Two-Jaw Chuck
Power Wing Chuck
Pull Back Chuck
Three-Jaw Pull Style Chuck
Four-Jaw Self-Centeriing Power Chuck
T-Nut

Two Stage Hydraulic Cylinder

High Speed Wheel Chuck
Self-Contained Air Chuck
Ultra High Precision
Collet
Standard Thru-Hole Cylinder
Big Bore High Speed Cylinder
Hydraulic Cylinder
Closed Center Cylinder
Stationary Air Cylinder
High Speed Air Cylinder
Work Gripper
Soft Jaw
Chuck Adapter
Hard Jaw
 

HW SERIES Four-Jaw Lever Type Power Operated Chuck with Closed Center

 

Two pairs of two jaws self center independent of each other. The HW Series is suitable for square bar and other unusually shaped workpieces.

Special Features

  • Long Stroke
  • HW-08 Can Be Operated by Exclusive Cylinder HYW-1220
  • 2+2 Jaws Self Centering
  • HW-10, 12 and 15 Can Be Operated by Exclusive Cylinder HYW-1225.

Model HW Series Chucks are manufactured from high grade alloy steel. All sliding surfaces are hardened and ground to assure consistent accuracy and performance.

Lubrication nipple in each base jaw.

Master Jaw Serration: Chuck size 6" to 10": 1.5mm x 60°

Mounting: Direct mounting to fit ASA B5.9 type A (interchangeable with DIN 55026).

Standard Equipment: Chuck assembled with adapter, chuck mounting bolts, soft top jaws, T-nuts and jaw mounting bolts with wrench, draw nut wrench.


SPECIFICATIONS

MODEL UNIT HW-08 HW-10 HW-12 HW-15
Jaw Stroke (Diameter) in. 0.520 0.630 0.630 0.669
Plunger Stroke in. 0.669 0.866 0.866 0.984
Max. Draw Bar Pull kN (kgf) 16.5 (1683) 23 (2345) 23 (2345) 28 (2855)
Max. Gripping Force kN (kgf) 56 (5710) 84 (8565) 84 (8565) 108 (11013)
Max. Speed rpm 3000 2000 1500 1200
Net Weight (1) lbs. 51 110 128 260
GD 2 kg.m 2 .153 .500 .700 2.250
Matching Cylinder YW1220 YW1225 YW1225 YW1225
Matching Hard Top Jaw
Matching Soft Top Jaw SB08B1Q SB10A2Q SB10A2Q SB15A2Q

(1) With top jaws.

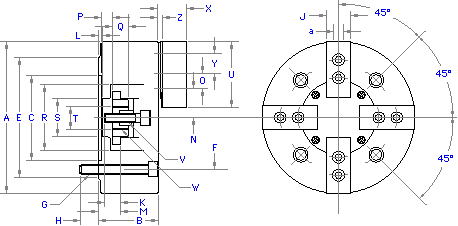
DIMENSIONS (Dimensions in Inches)

MODEL HW-08 HW-10 HW-12 HW-15 MODEL HW-08 HW-10 HW-12 HW-15
A 8.268 10.630 11.969 15.000 N min. 1.768 2.205 2.205 2.736
B 3.583 4.331 4.331 5.315 O max. 0.955 1.103 1.931 2.618
C (H6) 6.693 4.724 4.724 7.677 O min. 0.364 0.512 0.512 0.610
D 0.197 0.217 0.217 0.295 P 0.689 0.787 0.787 0.728
E 7.874 8.661 11.220 Q 0.669 0.787 0.787 0.945
F 5.252 6.693 6.693 9.252 R 3.228 4.055 4.055 5.118
G M12 M16 M16 M20 S 1.811 2.283 2.283 3.071
H 0.787 0.945 0.945 1.181 T 1.339 1.654 1.654 2.165
J 1.220 1.575 1.575 1.968 U 3.543 4.331 4.331 5.079
K 1.142 1.220 1.220 2.165 V M14x2 M16x2 M16x2 M20x2.5
L max. 0.413 0.709 0.709 1.024 W M35x1.5 M42x1.5 M42x1.5 M55x2.0
L min. -0.256 -0.157 -0.157 -0.039 X 1.535 1.772 1.772 2.087
M max. 1.555 1.929 1.929 2.343 Y 0.787 1.181 1.181 1.496
M min. 0.886 1.063 1.063 1.358 Z 0.079 0.197 0.197 0.197
N max. 2.020 2.520 2.520 3.871 a 0.472 0.630 0.630 0.630

 

 



About Us

Contact Us

Site Map

Location

 

Worldwide Chuck Services, Inc.

1430 Danner Drive
 Aurora,  OH  44202
Phone: (330) 562-4509
Fax: (330) 562-2022

 questions@WorldwideChuck.com

 

Improving the World's Grip on Parts

Search our site for:

     

 
Don't forget about our warranty ... the best in the business!