Worldwide Chuck Services, Inc.

 

Chuck Repairs and ServiceWe Sell Lathe Chucks ActuatorsChuck Parts and AccessoriesJaws and Accessories

 
Worldwide Chuck Services is a master distributor of Kitagawa products.

Kitagawa Products Menu

Scroll Chuck
Four-Jaw Independent Chuck
Standard Thru-Hole Chuck
Big Bore High Speed Chuck
Super Big-Bore Power Chuck
Long Stroke Lever Style Chuck
Quick Jaw Change Chuck
Quick Jaw Change Chuck
Counter Balanced Chuck
Closed Center Chuck
Long Stroke Two-Jaw Chuck
Power Wing Chuck
Pull Back Chuck
Three-Jaw Pull Style Chuck
Four-Jaw Self-Centeriing Power Chuck
T-Nut

Two Stage Hydraulic Cylinder

High Speed Wheel Chuck
Self-Contained Air Chuck
Ultra High Precision
Collet
Standard Thru-Hole Cylinder
Big Bore High Speed Cylinder
Hydraulic Cylinder
Closed Center Cylinder
Stationary Air Cylinder
High Speed Air Cylinder
Work Gripper
Soft Jaw
Chuck Adapter
Hard Jaw
 

NLT SERIES Closed Center, Two-Jaw, Long Stroke Chucks

  Two-jaw wedge style power chuck with closed center and long stroke. Cost effective solutions for high speed chucking and universal machining where long stroke and no thru-hole is required. These deliver consistent accuracy and repetitive chucking.

Special Features

  • Long Stroke
  • Strong Clamping Force
  • Interchangeable Top Tooling
  • High Speed
  • Compact and Lightweight
  • Direct Mount
  • High Accuracy and High Endurance

Model NLT Series Chucks are manufactured from high grade alloy steel. All sliding surfaces are hardened and ground to assure consistent accuracy and performance.

Lubrication nipple in each base jaw.

Master Jaw Serration: Chuck size 6" to 12": 1.5mm x 60°

Mounting: Direct mounting to fit ASA B5.9 type A (interchangeable with DIN 55026).

Standard Equipment: Chuck assembled with adapter, chuck mounting bolts, soft top jaws, T-nuts and jaw mounting bolts with wrench, draw nut wrench.

SPECIFICATIONS

MODEL UNIT NLT-06A05 NLT-08A06 NLT-10A06 NLT-10A08 NLT-12A06 NLT-12A08
Spindle Nose A2-5 A2-6 A2-6 A2-8 A2-6 A2-8
Jaw Stroke (Diameter) in. 0.512 0.638 0.713 0.713 0.764 0.764
Plunger Stroke in. 0.787 0.984 1.102 1.102 1.181 1.181
Max. Draw Bar Pull Force kN (kgf) 14 (1428) 20 (2039) 27 (2753) 27 (2753) 36 (3671) 36 (3671)
Max. Gripping Force kN (kgf) 26 (2651) 40 (4079) 54 (5506) 54 (5506) 74 (7546) 74 (7546)
Max. Speed rpm 4300 3600 3100 3100 2500 2500
Net Weight (1) lbs. 27.5 52.8 79.5 78.9 135.0 134.1
GD 2 lbs/ft 2 3.4 10.6 23.6 23.4 57.2 56.6
Matching Cylinder Y1020R Y1225R Y1530R Y1530R Y1530R Y1530R
Matching Hard Top Jaw HB06B1 HB08A1 HB10A1 HB10A1 HB12B1 HB12B1
Matching Soft Top Jaw SB06B1 SB08B1 SB10B1 SB10B1 SB12A1 SB12A1

(1) With soft top jaw.

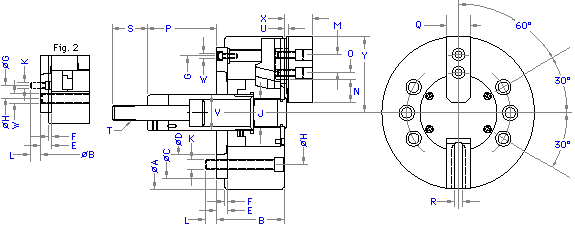
DIMENSIONS (Dimensions in Inches)

MODEL NLT-06A05 NLT-08A06 NLT-10A06 NLT-10A08 NLT-12A06 NLT-12A08
A 6.496 8.268 10.000 10.000 11.969 11.969
B 3.307 3.346 3.504 3.504 4.173 4.173
C (H6) 5.512 6.693 8.661 8.661 8.661 8.661
D 3.251 4.188 4.188 5.501 4.188 5.501
E 0.591 0.669 0.787 0.709 0.787 0.709
F 0.197 0.197 0.197 0.197 0.236 0.236
G 4.567 5.906 6.748 7.480 6.748 7.480
H 4.126 5.252 6.748 6.748 6.748 6.748
K 6-M10 6-M12 6-M16 6-M16 6-M16 6-M16
L 0.551 0.787 0.709 0.709 0.709 0.709
M 0.787 0.984 1.181 1.181 1.181 1.181
N max. 1.594 1.894 2.142 2.142 2.587 2.587
N min. 1.339 1.575 1.785 1.785 2.205 2.205
O max. 0.542 0.827 1.162 1.162 1.684 1.684
O min. 0.364 0.473 0.453 0.453 0.502 0.502
P max. 3.405 4.488 5.551 5.630 5.630 5.709
P min. 2.618 3.504 4.449 4.528 4.449 4.528
Q 1.220 1.378 1.575 1.575 1.969 1.969
R 0.472 0.551 0.630 0.630 0.630 0.630
S 1.417 1.417 1.417 1.417 1.417 1.417
T M16x2.0 M20x2.5 M20x2.5 M20x2.5 M20x2.5 M20x2.5
U 0.157 0.197 0.197 0.197 0.197 0.197
V 1.339 1.496 1.772 1.772 1.969 1.969
W 1.378 1.654 1.811 1.811 2.126 2.126
X 1.378 1.654 1.811 1.811 2.126 2.126
Y 2.835 3.740 4.331 4.331 5.079 5.079

NLT SERIES Closed Center, Two-Jaw, Long Stroke Chuck

Gripping Characteristic Graph

 

 



About Us

Contact Us

Site Map

Location

 

Worldwide Chuck Services, Inc.

1430 Danner Drive
 Aurora,  OH  44202
Phone: (330) 562-4509
Fax: (330) 562-2022

 questions@WorldwideChuck.com

 

Improving the World's Grip on Parts

Search our site for:

     

 
Don't forget about our warranty ... the best in the business!