Worldwide Chuck Services, Inc.

 

Chuck Repairs and ServiceWe Sell Lathe Chucks ActuatorsChuck Parts and AccessoriesJaws and Accessories

 
Worldwide Chuck Services is a master distributor of Kitagawa products.

Kitagawa Products Menu

Scroll Chuck
Four-Jaw Independent Chuck
Standard Thru-Hole Chuck
Big Bore High Speed Chuck
Super Big-Bore Power Chuck
Long Stroke Lever Style Chuck
Quick Jaw Change Chuck
Quick Jaw Change Chuck
Counter Balanced Chuck
Closed Center Chuck
Long Stroke Two-Jaw Chuck
Power Wing Chuck
Pull Back Chuck
Three-Jaw Pull Style Chuck
Four-Jaw Self-Centeriing Power Chuck
T-Nut

Two Stage Hydraulic Cylinder

High Speed Wheel Chuck
Self-Contained Air Chuck
Ultra High Precision
Collet
Standard Thru-Hole Cylinder
Big Bore High Speed Cylinder
Hydraulic Cylinder
Closed Center Cylinder
Stationary Air Cylinder
High Speed Air Cylinder
Work Gripper
Soft Jaw
Chuck Adapter
Hard Jaw
 

BB200 SERIES Super Large Bore Power Chucks

  Three-jaw super bore power chucks are ideal for bar chucking requiring large bore and small chuck diameter. These chucks deliver consistent accuracy and repetitive chucking.

Special Features

  • Compact and lightweight
  • Super big thru-hole
  • Direct mount
  • High accuracy and high endurance

Specifications

Model Unit BB-06 BB-08 BB206 BB208 BB210 BB212
Thru-Hole in. 2.047 2.598 2.087 2.598 3.189 4.173
Jaw Stroke (Diam.) in. 0.217 0.291 .217 0.291 0.346 0.394
Plunger Stroke in. 0.472 0.630 0.472 0.630 0.748 0.906
Max. Draw Bar Pull Force kN (kgf) 20 (2039) 32 (3263) 48.8 (4976) 59 (6016)
Max. Gripping Force kN (kgf) 58.5 (5965) 99 (10095) 126 (12848) 153 (15601)
Max. Speed rpm 5300 4600 6000 5000 4500 3500
Net Weight lbs. 25 51 28 53 70 125
GD 2 kg.m 2 .050 .143 .312 .736
Matching Cylinder in. S1552 S1875

SS1453 S1552

S1666 S1875

SS1881 S2091 SS2110 F2511H00
Matching Soft Top Jaw SB06B1 SB08B1 SB06B1 SB08B1 SB10B1 SB12N1
Matching Hard Top Jaw HB06B1 HB08A1 HB06B1 HB08A1 HB10B1 HB12N1

Model BB Series Chucks are manufactured from high grade alloy steel. All sliding surfaces are hardened and ground to assure consistent accuracy and performance.

Lubrication nipple in each base jaw.

Master Jaw Serration

Chuck size 6" to 8": 1.5mm x60¼

Mounting

Direct mounting to fit ASA B5.9 type A (interchangeable with DIN 55026).

Standard Equipment

Chuck assembled with adapter, chuck mounting bolts, soft top jaws, T-nuts and jaw mounting bolts with wrench, draw nut wrench.

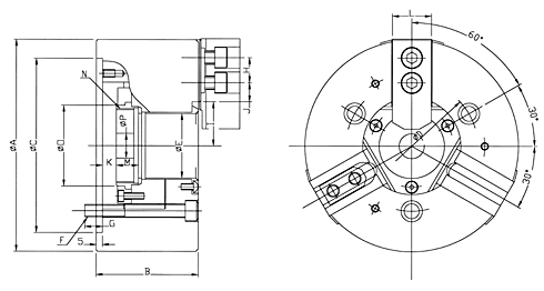
Dimensional Drawings

Dimensions

Model BB-06 BB-08 BB206 BB208 BB210 BB212
A 6.693 8.268 6.693 8.268 10.000 12.402
B 3.228 3.583 3.188 3.583 3.937 4.252
C 5.512 6.693 5.512 6.693 8.661 11.811
D 4.126 5.252 4.126 5.252 9.252
E 2.047 2.598 2.087 2.598 3.189 4.173
F 3xM10 3xM12 3xM10 3xM12 3xM16 3xM16
G 0.559 0.638 .0630 0.638 1.063 1.063
H 0.787 0.984 .0787 0.984 0.984 1.181
I max. 1.398 1.799 1.417 1.799 2.126 2.638
I min. 1.289 1.654 1.309 1.654 1.953 2.441
J max. 0.837 0.935 .0837 0.935 1.270 1.801
J min. 0.423 0.463 0.423 0.463 0.561 0.620
K max. 0.433 0.571 .0433 0.571 0.335 0.315
K min. -0.039 -0.059 -0.039 -0.059 -0.413 -0.591
L 1.220 1.378 1.307 1.378 1.575 1.969
M 0.689 0.787 0.689 0.787 1.102 1.102
N max. M60x1.5 M74x2.0 M60x2.0 M74x2.0 M90x2.0 M115x2.0
O 2.560 3.150 2.598 3.150 3.376 4.882
P 0.787 1.181 0.787 1.181 1.772 1.969

 

 



About Us

Contact Us

Site Map

Location

 

Worldwide Chuck Services, Inc.

1430 Danner Drive
 Aurora,  OH  44202
Phone: (330) 562-4509
Fax: (330) 562-2022

 questions@WorldwideChuck.com

 

Improving the World's Grip on Parts

Search our site for:

     

 
Don't forget about our warranty ... the best in the business!